Language: Chinese line English

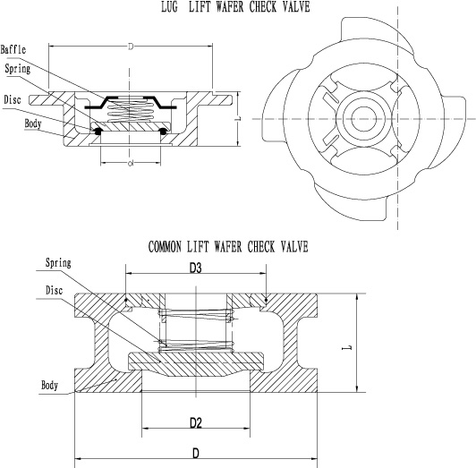
Lift wafer check valve

  • Lift wafer check valve
  • Lift wafer check valve
  • Lift wafer check valve
  • Lift wafer check valve
Lift wafer check valveLift wafer check valveLift wafer check valveLift wafer check valve

Lift wafer check valve

  • Product description: GGG40/GGG50,CF8,WCB,CF3,CF8M, LCB,LCC,WC6,WC9 A890 4A, F51, etc. Size Range: DN15(1/2'')-DN600 (24'')
  • INQUIRY

Design standard: API 6D, API 594, DIN, JIS, GB, BS etc.

Pressure: class 150-class 2500, JIS 10K, 20K, PN10, PN16, PN25, PN50, PN110, PN150

Flange end: ASME B16.5, B16.47, JIS 10K, 20K, DIN, BS, GB, HG. ect.

Face to face: ANIS B16.10, API 594, DIN, BS etc.