Language: Chinese line English

Bi-directional KGV

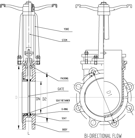
  • Bi-directional Knife gate valve
  • Bi-directional Knife gate valve
Bi-directional Knife gate valveBi-directional Knife gate valve

Bi-directional Knife gate valve

  • Product description: GGG40,GGG50,WCB,CF8,CF8M, 904L,SS2205 ect. Size Range: DN50 (2'')-DN600 (24'')
  • INQUIRY


Deisgn std: MSS SP 81, BS, JIS , DIN ,GB ect.

End connection: ANSI 150, JIS10K, PN10/PN16  etc.
Seat material: NBR, EPDM, PTFE, VITON ,METAL  etc.
Operation: rising handle wheel, no-rising handle wheel, gear, pneumatic, electric actuator, hydraulic,  Lever, etc.

Testing

Testing includes a body shell test, a seat test and a cycling test to insure proper functioning of moving parts.
• Standard Shell test: Hydro test at 1.5 times the rated CWP (cold working pressure) – Zero allowable leakage
• Standard Resilient Seat test: Hydro test at 15 psi (1 bar) and rated CWP
Max. operating pressures for  Knife Gate Valves:
DN050-DN250:  10 bar
DN300-DN400:    6 bar
DN450:             5 bar
DN500-DN600:    4 bar